A Verificação Que O Eberick Não Faz
O artigo de hoje é obrigatório para você que lança mão de sapatas de divisa nos seus projetos. Há uma VERIFICAÇÃO IMPRESCINDÍVEL PARA SAPATAS DE DIVISA, que é exigida por norma e que o EBERICK NÃO FAZ… Ao final desse texto você vai ter aprendido que verificação é essa e vai conhecer um macete para fazê-la mais rapidamente.
ATENÇÃO – DESCUBRA AQUI COMO OTIMIZAR AS CONFIGURAÇÕES DO EBERICK
As SAPATAS DE DIVISA se diferenciam das sapatas convencionais devido à excentricidade da carga, o que acaba gerando esforços de flexão na base desse elemento. Dessa forma:
- De um lado da sapata a flexão gera compressão (que se soma à compressão que já ocorre devido às cargas verticais);
- De outro lado a flexão gera tração (que se opõe à mesma compressão referida acima).
Se essa tração for baixa, haverá apenas um alívio dos esforços de compressão. Se a tração for alta, pode surgir uma reversão de compressão para tração nessa região da sapata. Ambos casos são exemplificados nas imagens abaixo:

Figura 1: Sapata com pequena excentricidade. Base totalmente comprimida.

Figura 2: Sapata com grande excentricidade. Parte da área da base se encontra tracionada.
As sapatas de divisa quase sempre se enquadram como sapatas com grande excentricidade, o que leva à esforços de tração altos e, por consequência, surge a reversão de que falei no parágrafo anterior.
Segundo a NBR 6122/2010 – Projeto e Execução de Fundação devemos garantir que pelo menos 2/3 da sapata esteja sofrendo ação de compressão. A rigor, essa verificação deve ser feita para TODAS as sapatas que recebam momentos fletores, mas ela é imprescindível para SAPATAS DE DIVISA pois sabemos que nelas sempre há uma parte da área da base tracionada.
E essa é a VERIFICAÇÃO QUE O EBERICK NÃO FAZ e que você vai aprender a resolver agora.
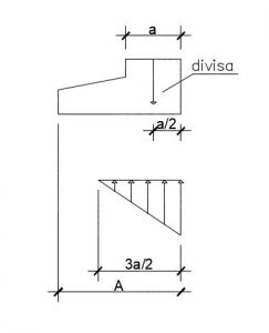
Lembrando que o solo na base da sapata não resiste esforços de tração, logo a reação do pilar deve ser equilibrada pela parcela comprimida da sapata. É o que vemos no esquema estrutural abaixo, onde a reação triangular do solo equilibra a força normal proveniente do pilar.

Sendo:
- a – dimensão do pilar na direção perpendicular à divisa
- A – dimensão da sapata na direção perpendicular à divisa
Nele podemos observar que há esforços de compressão até uma distância de 3a/2 da divisa, conforme exemplificado a seguir.

Para atender à restrição da norma, precisamos ter:
3a/2 > 2A/3
Resolvendo a inequação chegamos à seguinte relação:
a > 4A/9
Assim, para atender à referida restrição da NBR 6122 é necessário garantir que o pilar tenha uma largura mínima na direção perpendicular à divisa. Essa largura mínima pode ser respeitada apenas na parcela enterrada do pilar para não prejudicar a arquitetura.
Para funcionar bem, essa dica deve vir acompanhada das minhas outras dicas sobre como evitar que o Eberick superdimensione suas sapatas de divisa.
Para aprender mais sobre como otimizar seu projeto estrutural no Eberick conheça nosso curso mais avançado: Eberick – Pórtico e Grelha.
Para finalizar, gostaria de frisar que essa não é a única verificação que o Eberick não faz. Apenas achei importante mencioná-la porque esse software consegue ao mesmo tempo superdimensionar a sapata de divisa e deixá-la contra a segurança.
Aqui é onde nós precisamos entrar e fazer Engenharia. Portanto, muito cuidado da próxima vez que você for entrar naquele prédio colado na divisa e que você sabe que foi calculado por um piloto de software usando o Eberick.
